Constructing Voltmeter Monitor Circuit using LM3914
Constructing Voltmeter Monitor Circuit using LM3914 -With a few resistors, LEDs and using a LM3914 bar/dot display driver IC we can construct a simple
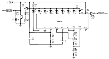
Constructing Voltmeter Monitor Circuit using LM3914 -With a few resistors, LEDs and using a LM3914 bar/dot display driver IC we can construct a simple 5V Voltmeter Monitor Circuit which provides TTL-compatible undervoltage and overvoltage warning signals. A complete circuit can be shown in the schematic below.
This voltmeter monitor circuit is useful where quick and easy voltage adjustments must be made. It may be applied where the overvoltage and undervoltage warning signals provide an attractive extra and also can be used to monitor any higher voltages, positive or negative.
Complete explanation on Constructing Voltmeter Monitor Circuit using LM3914 can be seen here in full pdf (source: national.com)
Tags: LM3914 datasheet, Voltmeter, voltmeter circuit, lm3914 voltmeter,
Copyright www.unboxing.eu.org
