Dyna Audio Compressor Circuit Diagram
Dyna Audio Compressor
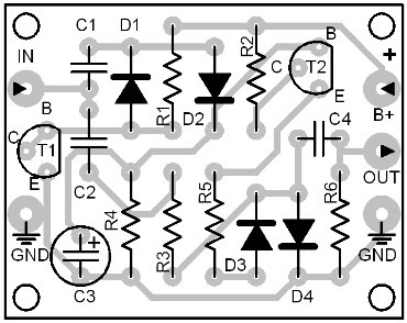
In many audio applications, regulating the audio signal to a constant level is very important. This is true specially for voice modulated radio transmissions. Voice regulation is also often applied in intercom devices or telephone systems. Such a voice level regulator need not be very expensive.
The circuit featured here combines simple design with inexpensive materials. This simple audio compressor uses a straightforward regulation technique to constantly control the amplitude of the output signal. In contrast to common feedback techniques where the output is used to regulate the input signal, the output signal of this circuit is being regulated by the input signal.
![]() |
| Dyna Audio Compressor Circuit Diagram |
Dyna Audio Compressor
In many audio applications, regulating the audio signal to a constant level is very important. This is true specially for voice modulated radio transmissions.Voice regulation is also often applied in intercom devices or telephone systems. Such a voice level regulator need not be very expensive.
The circuit featured here combines simple design with inexpensive materials.
This simple audio compressor uses a straightforward regulation technique to constantly control the amplitude of the output signal.
In contrast to common feedback techniques where the output is used to regulate the input signal, the output signal of this circuit is being regulated by the input signal.
This technique simplifies the overall design of the circuit. Surprisingly, the transistor T2 works as the only active component in the circuit.
This compressor functions very well in intercom systems or in radio transceivers. It can also be used in PA systems or telephone devices such as automatic answering machine.



