Versatile Power Supply Circuit Diagram
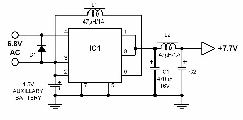
Versatile Power Supply Circuit.This circuit is called versatile power supply. It delivers 7.7 volts output converted from either a single 1.5 volt battery or from a 6.8V AC transformer. The output is higher than the input voltage. The voltage increase is done by the integrated chip TL496CP. Not only that, both an AC input and a battery can be connected simultaneously as the power source. The AC input is controlled by a series regulator while the battery is controlled by a switching regulator.
![]() |
| Versatile Power Supply Circuit Diagram |
Versatile Power Supply Circuit
This circuit is called versatile power supply. It delivers 7.7 volts output converted from either a single 1.5 volt battery or from a 6.8V AC transformer.
The output is higher than the input voltage. The voltage increase is done by the integrated chip TL496CP.
Not only that, both an AC input and a battery can be connected simultaneously as the power source.
The AC input is controlled by a series regulator while the battery is controlled by a switching regulator.
As long as the series regulator delivers the necessary output, the switching regulator remains disabled.
When a Nicad cell is used as a battery, it will be charged simultaneously by the AC input.
Once the AC input is disconnected or when the AC line goes off, the battery automatically takes over the function of supplying the needed 7.7 volts. A really versatile power supply.



