Rangkaian Remote Control Sederhana
By using the NE 555 and LM 567, we can make the system infra red remote control. Remote control works based on this reading frequency signal that is s
Rangkaian Remote Control Sederhana - Salam Electrical engineer, pada kesempatan kali ini saya akan berbagi mengenai Rangkaian Remote Control Sederhana.
Gunakan fitur Translate di sebelah kanan untuk menterjemahkan teks berbahasa inggris, selamat membaca, semoga bermanfaat.
By using the NE 555 and LM 567, we can make the system infra red remote control. Remote control works based on this reading frequency signal that is sent, so that the transmitter frequency signal must be the same as the receive frequency.
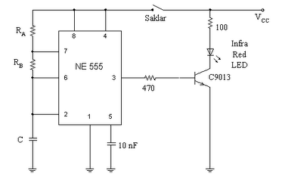
Skema Rangkaian
![]() |
| Rangkaian Remote Control Sederhana |
By using the NE 555 and LM 567, we can make the system infra red remote control. Remote control works based on this reading frequency signal that is sent, so that the transmitter frequency signal must be the same as the receive frequency.
Frequency on the remote control transmitter is determined by the value R1 and C1 based on the following equation:

As mentioned above, the remote control must have the same frequency with the frequency transmitted by the transmitter scheme. Recipient of this frequency range can be determined with the following equation:

To simplify the process of tuning, R1 at the recipient install a remote control in the variable resistor (VR). while the transmitter constant value (resistor still/ normal).
![]() |
| Skema Rangkaian penerima Remote Control |
To simplify the process of tuning, R1 at the recipient install a remote control in the variable resistor (VR). while the transmitter constant value (resistor still/ normal).
If a series of remote control has finished in the raft, to know whether a series of working well, the first step must be done is make tuning, with the transmitter is turned on continuously, while R1 is set so that the recipient can detect the signal transmitter.
If the tuning is successful, the relay recipient will remote control switch position, when it has happened means that a series of remote control is working well.
To the next can try pressing the switch on the remote control at the sender (transmitter). should switch on when the press situation relay at the remote recipient will move poles.
Copyright www.unboxing.eu.org


